HONE-长运平台-(中国区)官方直营注册登录平台! cyyl
手机:13450082237
电话:0769-22210391
传真:0769-22217692
网址:www.
邮箱:13450082237@163.com
地址:广东省东莞市东城街道桑园社区银贵路6号
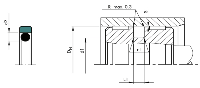
1.OE格来圈标准材料
密封环:填充聚四氟乙烯F-PTFE
0形圈:丁腈橡胶NBR或氟橡胶FKM

GSF格来圈,特康格来圈,OE格来圈
2.应用范围
液压系统、往复运动,在高压和低压及高频工况下的重载双向活塞密封场合非常出色。适用在长及短行程的情况,并在范围较大的流体和高温场合,可适合较大的活塞间隙。例如用在注塑机、推土机、农业机械、压机和其他机床等。
符合ISO 7425/1 GB/T1542.1-94 GB/T15242.3-94标准。设计时可参照Trelleborg公司PG4系列、Merkel公司OMK-MR系列、Parker公司OE系列、AS公司的YB系列标准。
3.特性及优点
1.沟槽简单,可用于整体式活塞。
2.摩擦力小,无爬行现象。
3.静密封性能非常好。
4.由于较大的挤出间隙,在有污物的介质中也可安全使用。
5.由于可采用较多的材料,所以对工作条件的适应性强。
6.可允许较大的挤出间隙,视应用场合而定,故可降低加工费用。
7.适于最新环保安全的液压液(生物油)。
