HONE-长运平台-(中国区)官方直营注册登录平台! cyyl
手机:13450082237
电话:0769-22210391
传真:0769-22217692
网址:www.
邮箱:13450082237@163.com
地址:广东省东莞市东城街道桑园社区银贵路6号
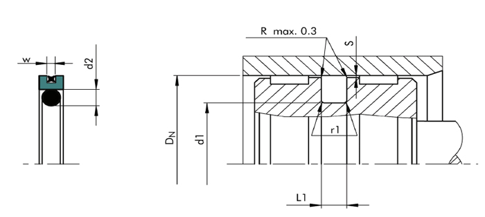
1.AQ星型组合密封标准材料
密封环:填充聚四氟乙烯F-PTFE
O形圈:丁腈橡胶NBR或氟橡胶FKM
星形圈:丁腈橡胶NBR或氟橡胶FKM

2.应用范围
该型号密封件保存了聚四氟乙烯密封件的低摩擦、耐高压、高速度特点,又有橡胶的密封特性。适用于一些速度较快、压力高,且需保压的场合。AQ封推荐用于活塞式蓄能器、定位油缸和支承油缸等双作用活塞,可用于机床、压机、轧机、鞋机、蓄能器、稳定器、重型悬挂油缸等。
密封安装在ISO7425标准的沟槽中。设计选用时请参考Trelleborg公司AQ系列标准。
3.特性及优点
1.良好的动静密封性能;
2.具有保压功能,油缸内泄漏小;
3.滑动性能好,无爬行;
4.适于新环保安全的液压液(生物油);
5.由于可采用较多种类的材料,所以对工作条件的适应性强;
6.集低摩擦与高弹性于一身,具有双重安全性;
7.沟槽设计简单,安装空间小。沟槽尺寸符合ISO 7425/1,可与格来圈、斯特封等互换;
8.可允许较大的挤出间隙,视应用场合而定,故可降低加工费用;
9.在需要将两种介质分离(例如:流体/流体或流体/气体)的场合,密封效率高。
