长运娱乐

密封圈

联系长运娱乐


  HONE-长运平台-(中国区)官方直营注册登录平台! cyyl
  手机:13450082237
  电话:0769-22210391
  传真:0769-22217692

       网址:www.

  邮箱:13450082237@163.com
  地址:广东省东莞市东城街道桑园社区银贵路6号

OMK-E活塞密封

您的当前位置: 首 页 > 产品展示 > 孔用密封(活塞密封) > OMK-E活塞密封

OMK-E活塞密封

详细介绍

1.OMK-E活塞密封标准材料

密封环:填充聚四氟乙烯F-PTFE

O形圈:丁腈橡胶NBR或氟橡胶FKM

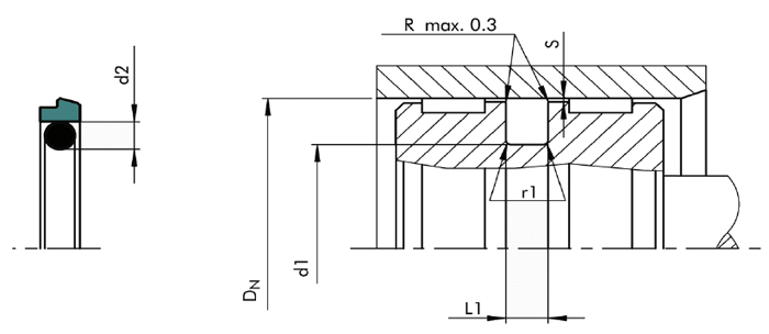
GSD孔用斯特封-2K型特康斯特封-反斯特封-OMK-E活塞.jpg

2.应用范围

液压系统、往复运动,在高压和低压及高频工况下的重载双向活塞密封场合非常出色。适用在长及短行程的情况,并在范围较广的流体和高温场合,可适用较大的活塞间隙。例如用在推土机、压机和其它机床等。

符合ISO 7425/1标准。设计选用时可参考Trelleborg公司PS系列、Merkel公司OMK-E系列、Parker公司OG系列、AS公司的YAB系列标准。

 

3.特性及优点

 

1.沟槽结构简单,有无润滑均可工作,并且寿命长。

2.摩擦力小,无爬行,粘滞现象

3.尺寸稳定,不受温度影响

4.良好的动静密封性能并且安装简单。

5.抗挤出性好,不会发生困压,可多只串联安装。

6.对强冲击压力有优异的缓冲作用


相关标签:OMK-E活塞密封

上一篇:佐康® 威士密封
下一篇:特康格来圈

HONE-长运平台-(中国区)官方直营注册登录平台! cyyl

contact us

HONE-长运平台-(中国区)官方直营注册登录平台! cyyl

HONE-长运平台-(中国区)官方直营注册登录平台! cyyl

全国服务热线:0769-22210391

手机(Tel):13450082237

传真(Fax):0769-22217692

网址:ttllyj.com

地址(Add):广东省东莞市东城街道桑园社区银贵路6号

service

0769-22210391分机802

服务热线


技术支持:技术支持:  |  主营区域: 备案号:
在线客服
二维码

扫描二维码

分享
var _hmt = _hmt || []; (function() { var hm = document.createElement("script"); hm.src = "https://hm.baidu.com/hm.js?7b865d55fe5c0ec0b6112a63f149052c"; var s = document.getElementsByTagName("script")[0]; s.parentNode.insertBefore(hm, s); })();