长运娱乐

密封圈

联系长运娱乐


  HONE-长运平台-(中国区)官方直营注册登录平台! cyyl
  手机:13450082237
  电话:0769-22210391
  传真:0769-22217692

       网址:www.

  邮箱:13450082237@163.com
  地址:广东省东莞市东城街道桑园社区银贵路6号

PHD组合密封

您的当前位置: 首 页 > 产品展示 > 孔用密封(活塞密封) > PHD组合密封

PHD组合密封

详细介绍

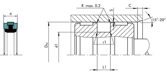
1.PHD组合密封标准材料

密封体:填充聚四氟乙烯或聚氨酯PU

弹性体:丁腈橡胶NBR

挡 圈:尼龙PA或聚甲醛POM

PHD组合密封-SPGW活塞密封-SPGW密封件.jpg

2.应用范围

液压往复运动系统。在高压工况下的重载双向活塞密封场合非常出色。特别适合长行程及范围较广的流体和高温场合,可适用较大的活塞间隙。主要应用于重载或工程机械的油缸活塞密封具有良好的泄漏控制、抗挤出性和耐损性能,如:挖掘机、重型液压缸等。

设计选用时可参考Trelleborg公司PHD系列、NOK公司SPGW系列、Parker公司的Y3系列、AS公司KHD系列标准。

 SPGW - 副本.png

3.特性及优点

1.沟槽结构简单;

2.由于较大的挤出间隙,在有污物的介质中可安全使用;

3.启动时不爬行,工作平稳;

4.可允许较大的挤出间隙;

5.使用寿命长;

6.静态和动态的摩擦系数低磨损小;

7.良好的动静密封性能。



相关标签:PHD组合密封

上一篇:特康格来圈
下一篇:TPM组合油封

HONE-长运平台-(中国区)官方直营注册登录平台! cyyl

contact us

HONE-长运平台-(中国区)官方直营注册登录平台! cyyl

HONE-长运平台-(中国区)官方直营注册登录平台! cyyl

全国服务热线:0769-22210391

手机(Tel):13450082237

传真(Fax):0769-22217692

网址:ttllyj.com

地址(Add):广东省东莞市东城街道桑园社区银贵路6号

service

0769-22210391分机802

服务热线


技术支持:技术支持:  |  主营区域: 备案号:
在线客服
二维码

扫描二维码

分享
var _hmt = _hmt || []; (function() { var hm = document.createElement("script"); hm.src = "https://hm.baidu.com/hm.js?7b865d55fe5c0ec0b6112a63f149052c"; var s = document.getElementsByTagName("script")[0]; s.parentNode.insertBefore(hm, s); })();