长运娱乐

密封圈

联系长运娱乐


  HONE-长运平台-(中国区)官方直营注册登录平台! cyyl
  手机:13450082237
  电话:0769-22210391
  传真:0769-22217692

       网址:www.

  邮箱:13450082237@163.com
  地址:广东省东莞市东城街道桑园社区银贵路6号

华尔卡密封件规格表_HONE-长运平台-(中国区)官方直营注册登录平台! cyyl

您的当前位置: 首 页 > 长运娱乐 动态 > 行业动态 > 华尔卡密封件规格表_HONE-长运平台-(中国区)官方直营注册登录平台! cyyl

华尔卡密封件规格表_HONE-长运平台-(中国区)官方直营注册登录平台! cyyl

发布日期:2018-08-16 00:00:00 作者: 点击:0

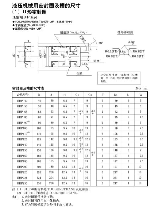
    华尔卡密封件系列密封圈,孔轴两用UHS系列、孔轴两用UNS系列、活塞用UHP系列、活塞用UNP系列、活塞杆用UHR系列、活塞杆用UNR系列、防尘圈DHS系列。

    如需要详细价格,请致电我司咨询。

相关标签:华尔卡密封件规格表_HONE-长运平台-(中国区)官方直营注册登录平台! cyyl

HONE-长运平台-(中国区)官方直营注册登录平台! cyyl

contact us

HONE-长运平台-(中国区)官方直营注册登录平台! cyyl

HONE-长运平台-(中国区)官方直营注册登录平台! cyyl

全国服务热线:0769-22210391

手机(Tel):13450082237

传真(Fax):0769-22217692

网址:ttllyj.com

地址(Add):广东省东莞市东城街道桑园社区银贵路6号

service

0769-22210391分机802

服务热线


技术支持:技术支持:  |  主营区域: 备案号:
在线客服
二维码

扫描二维码

分享
var _hmt = _hmt || []; (function() { var hm = document.createElement("script"); hm.src = "https://hm.baidu.com/hm.js?7b865d55fe5c0ec0b6112a63f149052c"; var s = document.getElementsByTagName("script")[0]; s.parentNode.insertBefore(hm, s); })();