HONE-长运平台-(中国区)官方直营注册登录平台! cyyl
手机:13450082237
电话:0769-22210391
传真:0769-22217692
网址:www.
邮箱:13450082237@163.com
地址:广东省东莞市东城街道桑园社区银贵路6号
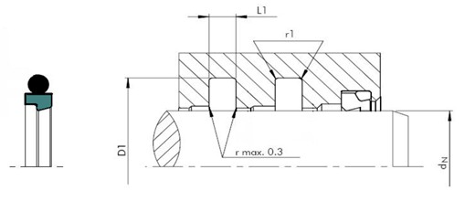
GSJ阶梯封,2K型特康斯特封,OMS-MR斯特封,C145拉杆封
1.标准材料:
密封体(密封环):填充聚四氟乙烯F-PTFE和聚氨脂密封环
弹性体O形圈:丁腈橡胶NBR或氟橡胶(FKM,FPM)

2.应用范围
GSJ型轴用斯特封一般应用在液压往复运动系统。适合在高、中、低压及重载,高频工况下的密封场合非常出色。适合各种行程及范围较广的流体和高温场合,可适用较大的活塞杆间隙。
适用环境:
例如用在:推土机,挖掘机,锻压机,陶瓷压砖机,轧钢机,伺服阀及机床等。
参考标准:
符合GB/T 15242.1-94及GB/T 15242.3-94标准。可参考Trelleborg公司RS1系列,Merkel公司OMS-MR 和Parker公司OD系列标准等。
3. 特性及优点
1.沟槽结构简单,有无润滑均可工作,并且寿命长;
2.摩擦力小,无爬行,粘滞现象;
3.尺寸稳定,不受温度影响;
4.良好的动静密封性能并且安装简单;
5.抗挤出性好,不会发生困压,可多只串联安装;
6.对强冲击压力有优异的缓冲作用。

contact us
HONE-长运平台-(中国区)官方直营注册登录平台! cyyl
全国服务热线:0769-22210391
手机(Tel):13450082237
传真(Fax):0769-22217692
网址:ttllyj.com
地址(Add):广东省东莞市东城街道桑园社区银贵路6号
service
0769-22210391分机802
服务热线