HONE-长运平台-(中国区)官方直营注册登录平台! cyyl
手机:13450082237
电话:0769-22210391
传真:0769-22217692
网址:www.
邮箱:13450082237@163.com
地址:广东省东莞市东城街道桑园社区银贵路6号
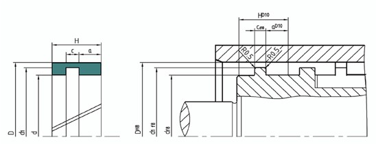
1.标准材料
尼龙PA、聚甲醛POM及填充聚四氟乙烯F-PTFE

2.应用范围
--活塞用非金属导向套,对活塞起支承与导向作用。
设计选用时可参考Hunger公司FA系列标准。
3.特性及优点
1.容易安装、牢靠;
2.金属/塑料材料配对防止了“滞塞”和“咬死”现象;
3.良好的减振性(径向振动)。



contact us
HONE-长运平台-(中国区)官方直营注册登录平台! cyyl
全国服务热线:0769-22210391
手机(Tel):13450082237
传真(Fax):0769-22217692
网址:ttllyj.com
地址(Add):广东省东莞市东城街道桑园社区银贵路6号
service
0769-22210391分机802
服务热线